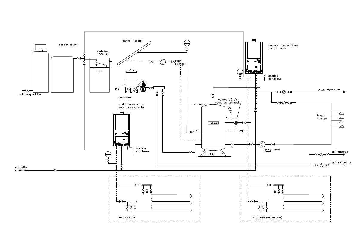
Impianti tecnologici per nuovo piccolo complesso a destinazione turistico ricettiva
                            

                         agriturismo                                     interni


                            impiant termoidr